LA212與其他LA系列音箱集成,組成了一個可擴展的整體系統。音箱帶有橡膠墊腳、安裝支架孔,可用作小型的主擴聲系統,使用橡膠支腳則用作舞臺監聽音箱。音箱還帶有把手和安裝/懸掛點。
產品特點
種用途,主擴聲/監聽兩分頻系統
90°錐形波導板(Wave Guide Plate?)上12英寸低頻/2英寸開口高頻單元
集成懸掛點和立桿安裝孔
內部無源分頻器/濾波器網絡
可流動使用或固定安裝
規格
配置
子系統:
換能器:低頻 - 1x12英寸錐盆;高頻-1x0.2英寸開口壓縮驅動負載于波導板(Wave Guide PlateTM)上
負載:低頻 - 箱體開口;高頻 – 號角負載
操作模式:功放通道:無源低頻/高頻分頻器
性能
操作范圍(-10 dB, Hz):50-18k
軸向靈敏度(1W @ 1m, dB SPL):全頻無源:97
功率處理/阻抗(W @ 歐姆):全頻無源:500 @ 8
計算的最大峰值輸出(dB SPL):全頻無源:130
計算的最大長期輸出(dB SPL):全頻無源:124
標稱覆蓋(度數):水平:90,垂直:90
子系統
低頻:12英寸錐盆,箱體開口
高頻:2英寸開口壓縮驅動,波導板(Waveguide PlateTM)
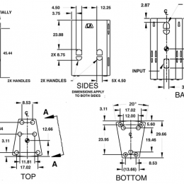
尺寸(英寸/毫米):高度:24.0/610,高度(舞臺):14.94/379,寬度:14.75/375,深度:14.75/375
地面角度(仰角):50
重量(磅/千克):凈重:52/23.7,裝運重量:60/27.3


