LA118z超低頻音箱是為了作為LA系列全頻系統的補充而設計的。頂部的凹陷安裝孔可容納LA325或LA118Z支腳。提供可選腳輪托盤。
產品特點
高輸出超低頻系統
18英寸錐盆換能器
優化設計的箱體開孔,增強響應
容易提舉的把手
規格
配置子系統:
換能器:超低音 1x18英寸錐盆
負載:箱體開口
性能
操作范圍(-10 dB, Hz):25-200
軸向靈敏度(1W @ 1m, dB SPL):超低音(全空間):95
功率處理/阻抗(W @ 歐姆):超低音(單功放):1000 @ 8
計算的最大峰值輸出(dB SPL):超低音(全空間):130
計算的最大長期輸出(dB SPL):超低音(全空間):124
子系統
超低音:18英寸錐盆,箱體開口
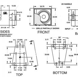
尺寸(英寸/毫米):高度:22.50/572,寬度(前):23.63/600,寬度(后):13.66/347,深度:29.66/753
梯形角度(每側度數):10
重量(磅/千克):凈重:96/43.7,裝運重量:103/46.9


